145 - Accroche murale (socle horizontale)

Description

Ce raccord est souvent utilisé pour attacher garde-corps aux murs, aux escaliers et aux rampes.

Voir les caractéristiques >>

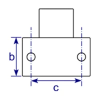
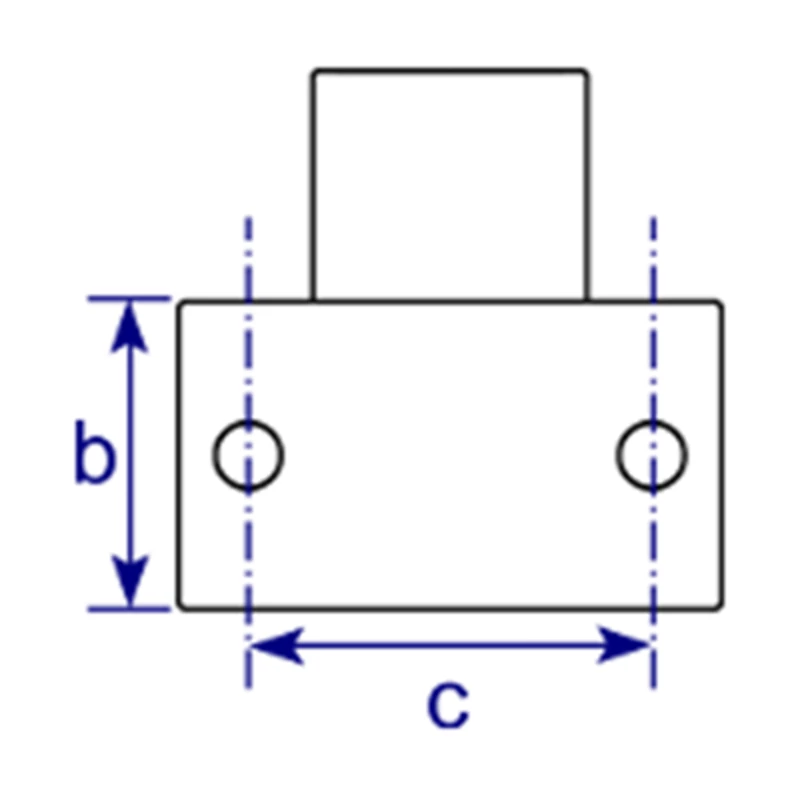
Dimensions disponibles

Indice Disponibilité Diamètre
en mm
a
en mm
b
en mm
Poids
en kg
Code
B34 10j env.
34.70
102.00
45.00
0.86
C42 10j env.
42.40
112.00
53.00
1.21
D48 10j env.
48.30
119.00
68.00
1.55
  • Art./page (3 articles)

Caractéristiques du produit

Revêtement

Galvanisé à chaud

Informations

Dans la forme standard, le tube ne peut pas passer à travers le fond du raccord, bien que le raccord peut être modifié pour tenir compte de ce à un coût supplémentaire. En fonction des exigences de charge, le type 144 peut parfois être utilisé comme une alternative.