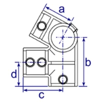
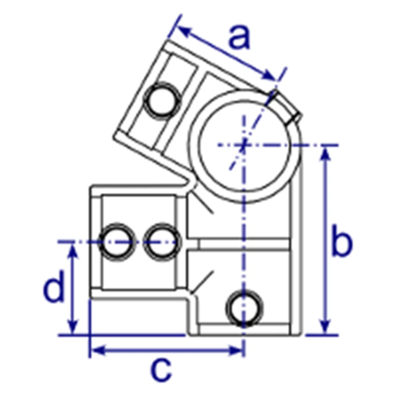
185 - Raccords en té 27½ degrés

Description

Habituellement utilisé pour former les structures de toit en liaison avec le type 191, avec un angle de 27½°.

Voir les caractéristiques >>

Dimensions disponibles

Indice Disponibilité Diamètre
en mm
a
en mm
b
en mm
Poids
en kg
Code
D48 10j env.
48.30
68.00
90.00
1.60
  • Art./page (1 articles)

Caractéristiques du produit

Revêtement

Galvanisé à chaud