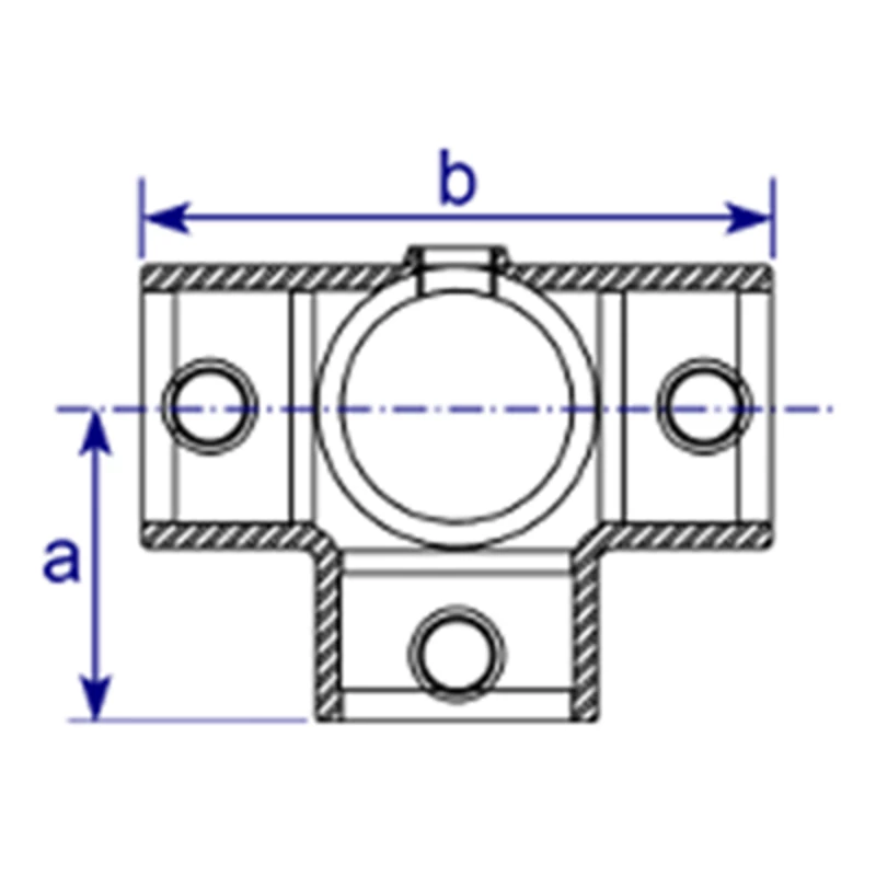
176 - Raccord en croix 3 entrées

Description

Souvent utilisé dans les grandes structures tubulaires avec le passage vertical à travers le raccord. Le tube de passage (verticale photo) ne peut pas être joint à l'intérieur du raccord.

Voir les caractéristiques >>

Dimensions disponibles

Indice Disponibilité Diamètre
en mm
a
en mm
b
en mm
Poids
en kg
Code
A27 En stock
26.90
41.00
82.00
0.36
92204
B34 En stock
34.70
46.00
92.00
0.50
92228
C42 En stock
42.40
60.00
120.00
0.79
92256
D48 En stock
48.30
68.00
136.00
0.94
92286
E60 10j env.
60.30
84.50
169.00
1.53
  • Art./page (5 articles)

Caractéristiques du produit

Revêtement

Galvanisé à chaud